Benötige E57 Ständerrohr
Benötige E57 Ständerrohr
Moin,
Es muss eine Sirene verschoben werden und soll an der Hauswand montiert werden.
Deswegen die Frage wo kann man Ständerrohr für die E57 kaufen und habt ihr noch Tipps zur Befestigung des Rohres an der Haus Wand.
Die nächste Frage bekommt man eigentlich auch noch alle Teile um E57 vernünftig aufm Dach zu montieren und kann man vom Feuermelder Knopf 230V das Leuchtmittel tauschen, wenn ja was is das für ein Leuchtmittel.
Es muss eine Sirene verschoben werden und soll an der Hauswand montiert werden.
Deswegen die Frage wo kann man Ständerrohr für die E57 kaufen und habt ihr noch Tipps zur Befestigung des Rohres an der Haus Wand.
Die nächste Frage bekommt man eigentlich auch noch alle Teile um E57 vernünftig aufm Dach zu montieren und kann man vom Feuermelder Knopf 230V das Leuchtmittel tauschen, wenn ja was is das für ein Leuchtmittel.
- Die Sirenenwerkstatt
- Sirenenexperte
- Beiträge: 1881
- Registriert: Freitag 22. Mai 2009, 10:49
- Kontaktdaten:
Re: Benötige E57 Ständerrohr
Moin Leon.
Das Rohr was für eine E57 benötigt wird ist ein einfaches Nahtloses Stahlrohr mit einem Außendurchmesser von 108mm und einer Wandstärke von 3,6 oder besser 4,0mm.
Zur Befestigung musst du dir entsprechende DIN Schellen dazu kaufen. Ist allerdings alles nicht sehr günstig heutzutage. Oben auf das Rohr kommt dann noch ein entsprechender Schlitz für den Mastkopf und eben der selbige drauf und gut.
Viele Grüße
René
Das Rohr was für eine E57 benötigt wird ist ein einfaches Nahtloses Stahlrohr mit einem Außendurchmesser von 108mm und einer Wandstärke von 3,6 oder besser 4,0mm.
Zur Befestigung musst du dir entsprechende DIN Schellen dazu kaufen. Ist allerdings alles nicht sehr günstig heutzutage. Oben auf das Rohr kommt dann noch ein entsprechender Schlitz für den Mastkopf und eben der selbige drauf und gut.
Viele Grüße
René
- Alexander470815
- Harter Kern
- Beiträge: 122
- Registriert: Sonntag 2. Februar 2014, 17:02
Re: Benötige E57 Ständerrohr
Also z.B.
Rohr: https://www.ipz-shop.de/p/108-x-3-6-x-1 ... 1-29-eur-m
Schelle: https://www.ipz-shop.de/p/108-0-mm-werk ... ohrschelle
Im Idealfall würde man natürlich Rohr nehmen das bereits verzinkt ist.
Oder man nimmt eben gleich Edelstahlrohr.
Rohr: https://www.ipz-shop.de/p/108-x-3-6-x-1 ... 1-29-eur-m
Schelle: https://www.ipz-shop.de/p/108-0-mm-werk ... ohrschelle
Im Idealfall würde man natürlich Rohr nehmen das bereits verzinkt ist.
Oder man nimmt eben gleich Edelstahlrohr.
Mein Youtube Kanal!
- Die Sirenenwerkstatt
- Sirenenexperte
- Beiträge: 1881
- Registriert: Freitag 22. Mai 2009, 10:49
- Kontaktdaten:
Re: Benötige E57 Ständerrohr
Das ist die falsche Schelle. Wenn dann bräuchte man die da:Alexander470815 hat geschrieben: Sonntag 26. Januar 2025, 14:32 Schelle: https://www.ipz-shop.de/p/108-0-mm-werk ... ohrschelle
https://www.ebay.de/itm/255764260756?var=555697862244
- Alexander470815
- Harter Kern
- Beiträge: 122
- Registriert: Sonntag 2. Februar 2014, 17:02
Re: Benötige E57 Ständerrohr
Das kann man so Pauschal nicht sagen, es kommt eben darauf an wie der Rest der Halterung aussieht.Die Sirenenwerkstatt hat geschrieben: Sonntag 26. Januar 2025, 19:46 Das ist die falsche Schelle. Wenn dann bräuchte man die da:
https://www.ebay.de/itm/255764260756?var=555697862244
Danach richtet sich dann die Ausführung der Schelle.
Mein Youtube Kanal!
- Die Sirenenwerkstatt
- Sirenenexperte
- Beiträge: 1881
- Registriert: Freitag 22. Mai 2009, 10:49
- Kontaktdaten:
Re: Benötige E57 Ständerrohr
Dann Erklär doch mal, wie du eine Wandhalterung bauen willst, wo sich deine Schellen eher lohnen würden?
Langsam hab ich das Gefühl, du scheinst Probleme mit mir zu haben. Keine Ahnung was für Probleme aber du hast auf jeden Fall welche.🤦🏻♂️
Langsam hab ich das Gefühl, du scheinst Probleme mit mir zu haben. Keine Ahnung was für Probleme aber du hast auf jeden Fall welche.🤦🏻♂️
- ECN 2400
- Sirenenexperte
- Beiträge: 691
- Registriert: Donnerstag 23. April 2009, 14:48
- Wohnort: Darmstadt
Re: Benötige E57 Ständerrohr
Am besten an eine Fachfirma wenden welche täglich Sirenen aufbaut. Die haben alle notwendigen Teile auf Lager bzw. können diese schnell besorgen. zumindest hatten wir da nie Probleme.
Für eine E 57 ist das gar nicht mal so teuer.
Ob es für den Feuermelder noch Teile gibt kann ich leider nicht sagen.
Für eine E 57 ist das gar nicht mal so teuer.
Ob es für den Feuermelder noch Teile gibt kann ich leider nicht sagen.
- Alexander470815
- Harter Kern
- Beiträge: 122
- Registriert: Sonntag 2. Februar 2014, 17:02
Re: Benötige E57 Ständerrohr
Da fallen mir so ein paar Gründe ein.Die Sirenenwerkstatt hat geschrieben: Montag 27. Januar 2025, 16:32 Dann Erklär doch mal, wie du eine Wandhalterung bauen willst, wo sich deine Schellen eher lohnen würden?
z.B. wenn man den Mast nicht direkt an die Wand drücken will weil diese nicht tragfähig ist aufgrund von Dämmung oder man einfach nicht Metall direkt auf #Untergund# schrauben will.
Oder wenn man das ganze auf Abstand setzen muss wegen eines Dachüberstands.
Natürlich gibt es immer mehrere Möglichkeiten wie man das machen kann.
Was jetzt "richtig" ist kommt wohl auf die genaue Einbausituation an die wir alle nicht kennen, da müsste sich Leon dazu äußern.
Mein Youtube Kanal!
- Die Sirenenwerkstatt
- Sirenenexperte
- Beiträge: 1881
- Registriert: Freitag 22. Mai 2009, 10:49
- Kontaktdaten:
Re: Benötige E57 Ständerrohr
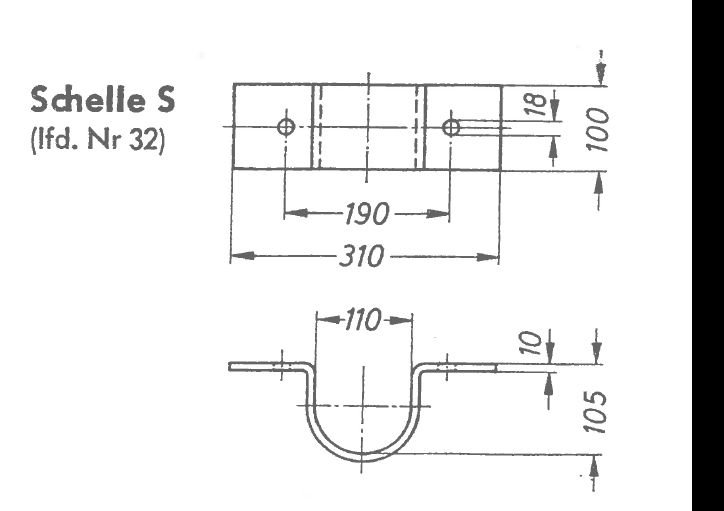
Du wirst aber in der offiziellen Norm zum Montagematerial der E57 deine Schelle nicht finden.
Genauer geht es um die DIN 41097 und an die würde ich mich auch halten. Die Leutchen die das damals erarbeitet haben, haben das nicht ohne Grund so gewählt. Die offizielle E57 Befestigungsschelle bekommt man sowieso nicht als Standartteil zu kaufen. Die wird aus Flachstahl 100x10mm geschmiedet und ist 31cm lang: Die von mir gezeigte Schelle ist da auch nicht das Originalteil aber wenn man davon zwei nimmt also übereinander oder an 2 Stellen am Mast sollte das auch kein Problem sein. Deine Lösung beinhaltet da mit einer zweigeteilten Schelle einen komplizierteren Angang.
Ich finde es schade, dass man die Normblätter nicht so ohne weiteres veröffentlichen darf, da steht alles drin was man wissen muss zum Nachbau.
Deine Konsolenlösung gibt es auch, allerdings hat man da so wie es aussieht tatsächlich zwei DIN Schellen genommen wie sie in der Bucht zu haben sind: rein gezoomt:
Genauer geht es um die DIN 41097 und an die würde ich mich auch halten. Die Leutchen die das damals erarbeitet haben, haben das nicht ohne Grund so gewählt. Die offizielle E57 Befestigungsschelle bekommt man sowieso nicht als Standartteil zu kaufen. Die wird aus Flachstahl 100x10mm geschmiedet und ist 31cm lang: Die von mir gezeigte Schelle ist da auch nicht das Originalteil aber wenn man davon zwei nimmt also übereinander oder an 2 Stellen am Mast sollte das auch kein Problem sein. Deine Lösung beinhaltet da mit einer zweigeteilten Schelle einen komplizierteren Angang.
Ich finde es schade, dass man die Normblätter nicht so ohne weiteres veröffentlichen darf, da steht alles drin was man wissen muss zum Nachbau.
Deine Konsolenlösung gibt es auch, allerdings hat man da so wie es aussieht tatsächlich zwei DIN Schellen genommen wie sie in der Bucht zu haben sind: rein gezoomt:
Zuletzt geändert von Die Sirenenwerkstatt am Dienstag 28. Januar 2025, 18:07, insgesamt 2-mal geändert.
-
Wolfi
- Harter Kern
- Beiträge: 384
- Registriert: Dienstag 17. August 2004, 23:10
- Wohnort: Friedrichsdorf im Taunus
Re: Benötige E57 Ständerrohr
Hallo Leon,
bezüglich Ständerrohr kann ich Dir nicht helfen, aber betreffend den Feuermelder.
Da sind in der Regel Glimmlampen darin verbaut, entweder mit Schraubfassung
E10 oder Bajonettfassung BA9s. Meistens für 220 (230) V.
Solche Lampen hätte ich da, schick mir am besten mal per P/N ein Foto des
originalen Leuchtmittels, da findet sich sicher Ersatz für.
Grüße,
Wolfi
bezüglich Ständerrohr kann ich Dir nicht helfen, aber betreffend den Feuermelder.
Da sind in der Regel Glimmlampen darin verbaut, entweder mit Schraubfassung
E10 oder Bajonettfassung BA9s. Meistens für 220 (230) V.
Solche Lampen hätte ich da, schick mir am besten mal per P/N ein Foto des
originalen Leuchtmittels, da findet sich sicher Ersatz für.
Grüße,
Wolfi
- Alexander470815
- Harter Kern
- Beiträge: 122
- Registriert: Sonntag 2. Februar 2014, 17:02
Re: Benötige E57 Ständerrohr
Naja dann kann man die Rohrschellen nach DIN 1593 genauso wenig verwenden.Die Sirenenwerkstatt hat geschrieben: Dienstag 28. Januar 2025, 17:53 Genauer geht es um die DIN 41097 und an die würde ich mich auch halten.
Die Norm ist außerdem nur für Dachmontage und nicht für Wandmontage also nicht anzuwenden.
Warum jetzt eine Schelle nach DIN 1593 inhärent besser geeignet sein soll als eine nach DIN 3567 erschließt sich mir nicht.
Nur weil sie der aus der DIN 41097 ähnlicher sieht?
Es kommt halt einfach auf die Individuellen Bedingungen an was sinnvoll ist und was nicht.
Eine Einzige "richtige" Lösung existiert damit nicht.
Die Montage auf dem "Podest" was du da gepostet hast würde ich eher einstufen als "was halt gerade rumlag".
Der Mast ist an die Schellen angeschweißt und die Abstützung nach unten fragwürdig.
Ob das Drehmoment sinnvoll abgefangen wird ist auch unsicher.
Wird aber trotzdem halten, so wie es korrodiert ist steht das ja schon einige Zeit.
Hier ist noch eine Variante: https://sirenenbau-fischer.de/portfolio ... er-sirene/
Mein Youtube Kanal!
Re: Benötige E57 Ständerrohr
Hörmann verwendet bei Wandmontagen der neuen Anlagen diese Mauerkonsolen, wie im Bild.
Die Schellen, auf den Bildern von Die Sirenenwerkstatt, sind die genormten Balkenschellen für die Dachmontage.
Ich habe etliche Aufbauten begleitet, auch Wandmontagen. Am Ende ist es wichtig, dass die Mauerkonsole den ganzen Kram hält, zzgl. Windlast und das Mauerwerk die ganze Nummer auch mit macht.
Die Schellen, auf den Bildern von Die Sirenenwerkstatt, sind die genormten Balkenschellen für die Dachmontage.
Ich habe etliche Aufbauten begleitet, auch Wandmontagen. Am Ende ist es wichtig, dass die Mauerkonsole den ganzen Kram hält, zzgl. Windlast und das Mauerwerk die ganze Nummer auch mit macht.
Fachgebiete:
- E57 Auslösetechnik
- E57 Steuertechnik
- E57 Sirenenverbundsysteme
- E57 Auslösetechnik
- E57 Steuertechnik
- E57 Sirenenverbundsysteme
Re: Benötige E57 Ständerrohr
Vielen lieben Dank, ne BA9s hätte ich sogar noch für 230vWolfi hat geschrieben: Dienstag 28. Januar 2025, 17:56 Hallo Leon,
bezüglich Ständerrohr kann ich Dir nicht helfen, aber betreffend den Feuermelder.
Da sind in der Regel Glimmlampen darin verbaut, entweder mit Schraubfassung
E10 oder Bajonettfassung BA9s. Meistens für 220 (230) V.
Solche Lampen hätte ich da, schick mir am besten mal per P/N ein Foto des
originalen Leuchtmittels, da findet sich sicher Ersatz für.
Grüße,
Wolfi
Re: Benötige E57 Ständerrohr
Vielen Dank für die Beiträge und Bilder. ;),
Melde mich den hier, wenn das Projekt angefangen wird 👍
Melde mich den hier, wenn das Projekt angefangen wird 👍
Zuletzt geändert von Leon am Donnerstag 6. Februar 2025, 16:26, insgesamt 2-mal geändert.
Re: Benötige E57 Ständerrohr
👍
Zuletzt geändert von Leon am Freitag 7. Februar 2025, 17:10, insgesamt 2-mal geändert.